Reely Belső Ø: 2 mm Külső Ø: 5 mm Szélesség: 3 mm 1 db
Gyártó: Modelcraft
Garancia: 2 év
Rendelési szám: 237400
Rendelhető > 3-5 munkanap
Mennyiség: 1 db
415 Ft
(Egységár: 415 Ft/db)
Szállítási információ
Futárszolgálattal 1990 Ft
Postán maradó 1990 Ft
Csomagautomata 1990 Ft
Partner Postapont 1990 Ft
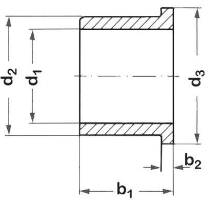
Peremes persely
Peremes perselyek
Jellemzők: Sokoldalúan felhasználhatók mindenfajta csúszócsapágyhoz (meghajtásnál, tengelyeknél stb.) A perselyek szinterelt bronzból vannak, önkenők, olajjal átitatva.
Műszaki adatok: Belső Ø: 2 mm · Külső Ø: 5 mm · Méret, szélesség: 3 mm · Méretmegadás, érték: (d1 - d2 - d3 - b1 - b2) 2 - 5 - 6,5 - 3 - 1 mm · Perem Ø: 6.5 mm · Peremszélesség: 1 mm · Tartalom: 1 db · Termék típus: Vállcsapágy